Один комплект – и задняя подвеска Dodge Dart работает как новая
Один комплект – и задняя подвеска Dodge Dart работает как новая
Задняя подвеска автомобиля играет ключевую роль в его стабильности, управляемости и удобстве во время движения. Она поддерживает заднюю часть авто, обеспечивает правильную геометрию колёс и гасит удары от неровностей дороги. В процессе эксплуатации стандартные компоненты амортизирующего механизма из резины и металла постепенно теряют свои свойства. Это приводит к характерным проблемам: проседанию задней оси, шумам во время движения, снижению точности управления и дискомфорту для пассажиров.
Для восстановления первоначальных характеристик автомобиля современные водители всё чаще выбирают полиуретановые комплекты задней подвески. Они отличаются высокой прочностью, стойкостью к деформациям и долговечностью, что позволяет вернуть Dodge Dart 2013–2021 годов почти к заводскому состоянию. Использование полиуретана обеспечивает стабильность и безопасность на дороге, улучшает управляемость и снижает шум, делая движение более комфортным и предсказуемым даже на высоких скоростях.
Функции и назначение задней подвески
Задняя подвеска – это комплекс механизмов и деталей, которые отвечают за поддержку задней части машины, амортизацию неровностей дороги, стабильность во время движения и равномерное распределение нагрузки на колёса. Она обеспечивает плавность хода, комфорт пассажиров и безопасную управляемость при различных дорожных условиях, включая высокоскоростные трассы и городские дороги с ямами и выбоинами.
Основные функции ходовой части задней оси:
• амортизация ударов и неровностей, что снижает стресс на кузов и пассажиров;
• поддержание стабильной высоты автомобиля, что влияет на аэродинамику и уровень комфорта;
• обеспечение управляемости и стабильности в поворотах, снижение риска заноса;
• равномерное распределение нагрузки на колёса для сохранения шин и механизмов подвески;
• поддержание оптимальной работы тормозной системы за счёт стабильной платформы.
Последствия износа задней подвески
Со временем стандартные элементы задней подвески теряют свои свойства из-за постоянных нагрузок, воздействия погодных условий и дорожных неровностей. Это негативно отражается на управляемости машины и может проявляться различными способами. Проседание задней оси приводит к нестабильности на дороге, особенно во время маневрирования или на высоких скоростях. Изношенные резиновые сайлентблоки и деформированные металлические компоненты создают дополнительные вибрации и шумы, ощутимые в салоне, а также могут ускорять износ других деталей подвески.
Неровномерное распределение нагрузки на колёса из-за изношенных элементов ходовой части ухудшает сцепление шин с дорогой, снижает эффективность тормозной системы и повышает риск заноса в поворотах. В результате страдает не только комфорт поездок, но и безопасность водителя и пассажиров.
Своевременная замена изношенных элементов или установка качественного полиуретанового комплекта позволяет устранить все эти проблемы, вернув автомобилю стабильность, плавность хода и безопасную управляемость. Такое обновление не только продлевает ресурс подвески, но и обеспечивает удобство, предсказуемое движение на любых дорогах.
Особенности и преимущества полиуретанового комплекта задней подвески Dodge Dart 2013–2021
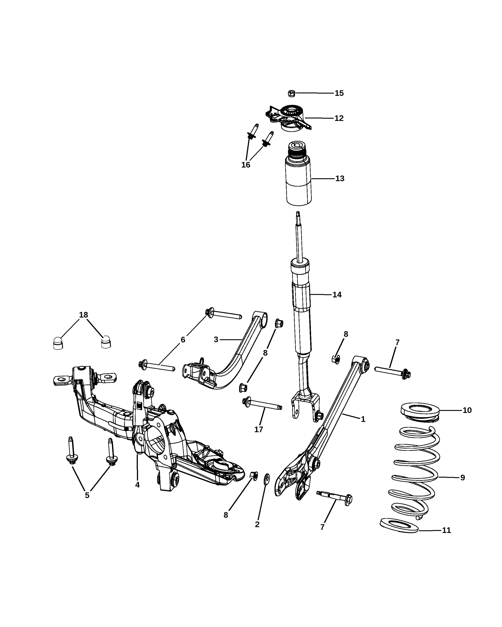
PolyPro предоставляет полный набор деталей для задней подвески - pp83906kit, готовый к установке, а также консультационную поддержку по монтажу и эксплуатации. Использование нашего комплекта позволяет восстановить стабильность, комфорт и безопасность Dodge Dart 2013–2021 годов, обеспечивая долговечное решение для любых дорожных условий.
В комплект входят сайлентблоки:
• pp2091c – CH0637; 68080590AE; 68080590AB; 68080590AD; 68080590AC – заднего нижнего поперечного рычага внутренний
• pp2092 – CH0638; 68080590AE; 68080590AB; 68080590AD; 68080590AC; 5168072AB; 5168072AD; 5168072AC; 5168072AE; 68277437AA – заднего нижнего поперечного рычага под амортизатор
• pp2093 – CH0634; 68080587AE; 68080587AC; 68080587AD; 68080588AE; 68204866AA; 68204867AA; 68172480AA; 68172480AB; 68204866AB; 68204866AC; 68172481AA; 68204867AB; 68204867AC; 68080588AC; 68080588AD – заднего продольного рычага передний
• pp3363c – CH0635; 68080587AE; 68080587AC; 68080587AD; 68080588AE; 68204866AA; 68204867AA; 68172480AA; 68172480AB; 68204866AB; 68204866AC; 68172481AA; 68204867AB; 68204867AC – задней цапфы верхний и нижний
• pp2090 – CH0636; 68080674AD; 68080674AB; 5090090AC; 5090090AB; 68080674AC; 5090090AD; 5090090A; CMS251142; PMS251142; 5CB25299; MS251142; GS251142; 19357045; 2607233 – заднего верхнего поперечного рычага внутренний
Детали набора PolyPro изготовлены из трёхкомпонентного полиуретана горячего отверждения французского производства, что обеспечивает высокую прочность и долговечность. Преимущества полиуретанового комплекта от нашей компании PolyPro:
• восстановление точной геометрии подвески и стабильности задней оси, что возвращает автомобиль к почти заводским характеристикам;
• уменьшение шума, вибраций и посторонних звуков при движении по неровностям, обеспечивая комфорт пассажиров;
• повышение управляемости и безопасности в поворотах и при резком торможении, особенно на сложных или скоростных дорогах;
• длительный срок службы даже при интенсивном использовании и тяжёлых дорожных условиях;
• стойкость к температурным колебаниям, химическим реагентам и погодным воздействиям, включая дождь, снег и противогололёдные реагенты;
• лёгкая и точная установка благодаря полной совместимости с заводскими креплениями;
• каждый набор проходит строгий контроль качества на всех этапах производства, что гарантирует точную посадку и безупречную работу всех компонентов подвески.

Почему стоит выбрать PolyPro?
Наш полиуретановый набор – это инвестиция в стабильность, безопасность и удобство Dodge Dart. Установив его, вы восстанавливаете геометрию амортизирующего механизма, снижаете шум и вибрации, устраняете проседание и нестабильность, а также получаете долговечную и надёжную работу подвески на долгие годы. Это решение позволяет наслаждаться безопасными и комфортными поездками в любых условиях, независимо от состояния дороги.
PolyPro предлагает сертифицированные полиуретановые комплекты, соответствующие самым высоким стандартам качества и идеально подходящие для Dodge Dart 2013–2021. Преимущества сотрудничества с нами:
• высокоточное изготовление деталей по современным технологиям из материалов премиум-класса;
• полная консультационная поддержка при выборе и установке;
• гарантия на все детали и соответствие стандартам безопасности;
• быстрая доставка по всей Украине и удобное оформление заказов;
• техническая поддержка после покупки для обеспечения длительной работы.